首页
视觉软件
不用编程的机器视觉软件
机器视觉软件开发包
机器视觉软件应用开发接口
工业AI视觉 / 深度学习
产品中心
工业相机
工业光源
工业镜头
光源控制器
工业线缆
非标/定制光源
行业应用
半导体行业
3C消费电子
新能源行业
医药行业
五金印刷行业
汽车行业
服务支持
下载中心
软件下载
文档下载
培训中心
软件学习
硬件学习
关于创科
企业概述
新闻中心
人才招聘
联系我们
搜索
中文
EN
免费获取
CK-FPQ120-B
CK-FPQ120-B是一款从4个方向以低角度照射均匀扩射光的方型光源,适用于方形被测物体,精准检测边角轮廓,有效防止炫光产生,可根据客户需求个性化定制。
您所在位置
首页
非标/定制光源
非标光源类别
方形光源
CK-FPQ120-B
光源参数
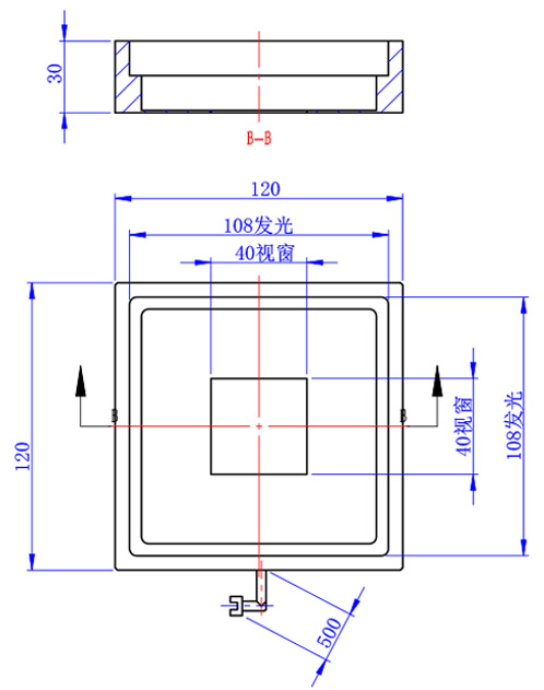
外形尺寸
资料下载
产品型号
CK-FPQ120-B
光源颜色
蓝色
功率
6.3W
波长/色温
红色
620-630nm
绿色
520-530nm
蓝色
465-475nm
白色
5000-7000k
保存环境
温度
-20-60°C
湿度
20-85%RH(非凝结)
使用环境
0-40℃
选配件
光源延长线3/5米选配
适配控制器
CK-HDT24-70W-4DT 数字光源控制器
外形尺寸
结构图纸
顶部