CK-SDTCM120-64H-AL

  • 大光圈、高远心度、超低畸变,超大景深,满足高端系统要求
产品参数
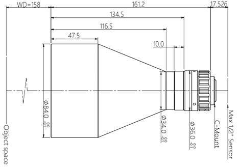
外形尺寸
资料下载
光学参数
物方视场 FOV(Φmm) 64
放大倍率 β(x) 0.125
物方工作距 WD(mm) 158±3
支持 CCD 尺寸 (Φmm) 8.0(1/2″)
像方最佳 F/# 4.2
像方 MTF30 (lp/mm) >220
物方景深 DoF(mm) ±28.2@F11
像方畸变 (% max) <0.1
物方远心度 (° max) <0.1
物像距 I/O(mm) 337±3
视野范围 (mm x mm)
1/2.5″ 9P001/31 (5.7×4.28) 45.6×34.2
1/2.3″ 9J003 (6.44×4.62) 51.5×37.0
机械参数
相机接口 C
镜头总长 (mm) 161.2
净重 (kg) 0.8

技术说明书

顶部