| 光学参数 | |
| 物方视场 FOV(Φmm) | 100 |
| 放大倍率 β(x) | 0.166 |
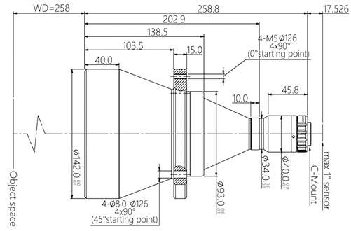
| 物方工作距 WD(mm) | 258±4 |
| 支持 CCD 尺寸 (Φmm) | 16.6(1″) |
| 像方最佳 F/# | 6.5 |
| 像方 MTF30 (lp/mm) | >140 |
| 物方景深 DoF(mm) | ±23.2@F16 |
| 像方畸变 (% max) | <0.1 |
| 物方远心度 (° max) | <0.1 |
| 物像距 I/O(mm) | 534±4 |
| 视野范围 (mm x mm) | |
| 1″ PYTHON 5000(12.43×9.83) | 74.9×59.2 |
| 1″ IMX255(14.19×7.51) | 85.5×45.2 |
| 1″ IMX183(13.13×8.76) | 79.1×52.8 |
| 机械参数 | |
| 相机接口 | C |
| 镜头总长 (mm) | 258.8 |
| 净重 (kg) | 3.2 |
