| 光学参数 | |
| 放大倍率 β(x) | 0.45 |
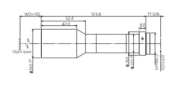
| 物方工作距 WD(mm) | 135 |
| 像方最大 CCD 尺寸 (Φmm) | 11(2/3″) |
| 像方 F/# | 15.3 |
| 像方畸变 (%) | 0.7 |
| 物方远心度 (° max) | <0.1 |
| 数值孔径 NA | 0.01467 |
| 物方分辨率 (um) | 22.9 |
| 物方景深 (mm) | 6.0 |
| 视野范围 (mm x mm) | |
| 1/2″(6.4×4.8) | 14.2×10.7 |
| 1/1.8″(7.13×5.37) | 15.8×11.9 |
| 2/3″(8.8×6.6) | 19.6×14.7 |
| 机械参数 | |
| 相机接口 | C |
| 镜头总长 (mm) | 123.8 |
| 是否同轴光 / 可调光栏 | 否/否 |

暂无下载资料内容