首页
视觉软件
不用编程的机器视觉软件
机器视觉软件开发包
机器视觉软件应用开发接口
工业AI视觉 / 深度学习
视觉产品
工业相机
CK-S系列 工业面阵相机
CK-U系列 工业面阵相机
CK-H系列 工业面阵相机
CK-REN系列 工业数字相机
工业光源
环形光源 CK-RL
条形光源 CK-BL
高亮条形光源 CK-HBL
四面可调光源 CK-FAL
同轴光源 CK-COL
转角同轴光源 CK-ACOL
平行同轴光源 CK-COPL
平面同轴光源 CK-FCL
侧部面光源 CK-FL
平行面光源 CK-PFL
底发光面光源 CK-FLB
侧发光开孔面光源 CK-FLO
底发光开孔面光源 CK-FLBO
圆顶光源 CK-TL
环形无影光源 CK-CRL
平面无影光源 CK-FNSL
方形无影光源 CK-QNL
圆形无影光源 CK-TNL
点光源 CK-PL
AOI光源 CK-AOIL
特殊光源
工业镜头
高清FA镜头 CK-SMFA
双侧远心镜头 CK-SDTCM
超高性能工业镜头 CK-SDTCA
高性能远心镜头 CK-SWWK
百万像素远心镜头 CK-SWWH
标准工业远心镜头 CK-SWWL
控制器
数字光源控制器
数字频闪光源控制器
大功率恒流控制器
模拟光源控制器
运动控制器
工业线缆
USB3.0 光电混合线缆
CoaXPress 线缆
Camera Link 电缆
工业相机千兆/万兆网线
工业以太网线(M12 A 8P / RJ45)
工业以太网线(M12X 编码8P /RJ45)
USB 2.0 线缆
USB 3.0 A / MicroB线缆
USB 3.0A / FB线缆
6P I/O 触发线
8P I/O 触发线
12P I/O 触发线
12P I/O 电源线
行业应用
半导体行业
3C消费电子
新能源行业
医药行业
五金印刷行业
汽车行业
服务支持
下载中心
软件下载
文档下载
培训中心
软件学习
硬件学习
关于创科
企业概述
新闻中心
人才招聘
联系我们
搜索
中文
EN
免费获取
CK-COL50-B
高密度的LED阵列发射出高强度均匀光,通过一种带有特殊层的半透面反射出的光线与相面在同一轴线上,并可消除采集图像和反光现象,成像清晰,高效散热,能凸显物体表面不平整
您所在位置
首页
工业光源
光源类别
同轴光源 CK-COL
CK-COL50-B
光源参数
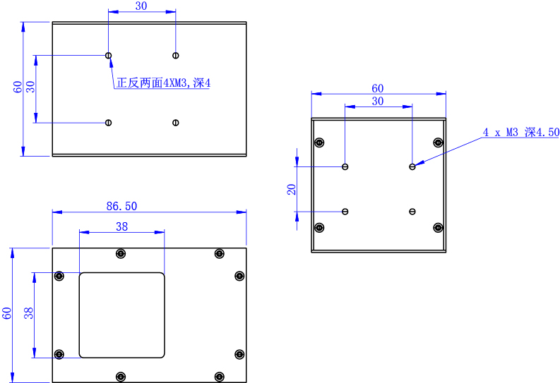
外形尺寸
资料下载
产品型号
CK-COL50-B
光源颜色
蓝色
光源功率
5.4W
色温/波长
465-475nm
保存环境
温度:-20-60℃
湿度:20-85%RH(非凝结)
使用环境
温度:0-40℃
可选配件
光源延长线为3/5米选配
适配光源控制器
CK 系列光源控制器
结构图纸
外形尺寸
顶部