CK-SWWH10-65AT
- 成像画质完美,支持百万像素数字相机
- 高对比,低畸变,超清晰
- 广泛应用于高精度视觉定位等场合
| 光学参数 |
| 放大倍率 β(x) |
1.0 |
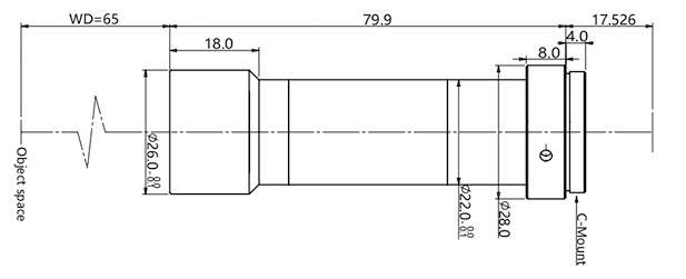
| 物方工作距 WD(mm) |
65±1 |
| 像方最大 CCD 尺寸 (Φmm) |
11(2/3″) |
| 像方 F/# |
11.1 |
| 物方远心度 (° max) |
<0.1 |
| 像方畸变 (%) |
<0.1 |
| 数值孔径 NA |
0.045 |
| 物方分辨率 (um) |
7.5 |
| 物方景深 (mm) |
0.9 |
| 视野范围 (mm x mm) |
| 1/2″(6.4×4.8) |
6.4×4.8 |
| 1/1.8″(7.13×5.37) |
7.13×5.37 |
| 2/3″(8.8×6.6) |
8.8×6.6 |
| 机械参数 |
| 相机接口 |
C |
| 镜头总长 (mm) |
79.9 |
| 是否同轴光 / 可调光栏 |
否/否 |