| 光学参数 | |
| 物方视场 FOV(Φmm) | 26 |
| 放大倍率 β(x) | 0.908 |
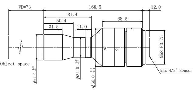
| 物方工作距 WD(mm) | 73±1 |
| 支持 CCD 尺寸 (Φmm) | 23.6(4/3″) |
| 像方最佳 F/# | 12.3 |
| 像方 MTF30 (lp/mm) | >68 |
| 物方景深 DoF(mm) | ±1.0@F20 |
| 像方畸变 (% max) | <0.1 |
| 物方远心度 (° max) | <0.1 |
| 物像距 I/O(mm) | 254±1 |
| 视野范围 (mm x mm) | |
| 4/3″ 基恩士 21M (17.86×14.32) | 19.7×15.8 |
| 4/3″ PYTHON 12K (18.43×13.82) | 20.4×15.1 |
| 4/3″ CMV8000 (18.48×13.73) | 20.4×15.1 |
| 机械参数 | |
| 相机接口 | M58 |
| 镜头总长 (mm) | 168.5 |
| 净重 (kg) | 0.8 |
