| 光学参数 | |
| 物方视场 FOV(Φmm) | 64 |
| 放大倍率 β(x) | 0.178 |
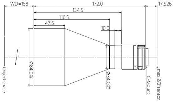
| 物方工作距 WD(mm) | 158±3 |
| 支持 CCD 尺寸 (Φmm) | 11.4(2/3″) |
| 像方最佳 F/# | 4.9 |
| 像方 MTF30 (lp/mm) | >180 |
| 物方景深 DoF(mm) | ±13.9@F11 |
| 像方畸变 (% max) | <0.1 |
| 物方远心度 (° max) | <0.1 |
| 物像距 I/O(mm) | 348±3 |
| 视野范围 (mm x mm) | |
| 1/1.8″ EV76C570 (7.2×5.4) | 40.4×30.3 |
| 1/1.7″ IMX226 (7.5×5.6) | 42.1×31.5 |
| 2/3″ IMX250/264 (8.45×7.1) | 47.5×39.9 |
| 机械参数 | |
| 相机接口 | C |
| 镜头总长 (mm) | 172.0 |
| 净重 (kg) | 0.8 |
