| 光学参数 | |
| 物方视场 FOV(Φmm) | 72 |
| 放大倍率 β(x) | 0.458 |
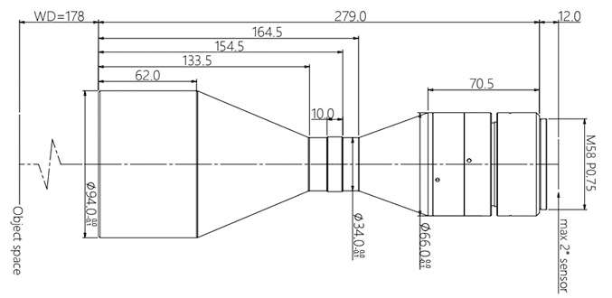
| 物方工作距 WD(mm) | 178±3 |
| 支持 CCD 尺寸 (Φmm) | 33(2″) |
| 像方最佳 F/# | 9.7 |
| 像方 MTF30 (lp/mm) | >90 |
| 物方景深 DoF(mm) | ±3.8@F20 |
| 像方畸变 (% max) | <0.1 |
| 物方远心度 (° max) | <0.1 |
| 物像距 I/O(mm) | 469±3 |
| 视野范围 (mm x mm) | |
| 2″ DALSA 12M (24.58×18.43) | 53.7×40.2 |
| 2″ PYTHON 25K (23.04×23.04) | 50.3×50.3 |
| 机械参数 | |
| 相机接口 | M58 |
| 镜头总长 (mm) | 279.0 |
| 净重 (kg) | 1.6 |
