| 光学参数 | |
| 物方视场 FOV(Φmm) | 64 |
| 放大倍率 β(x) | 0.125 |
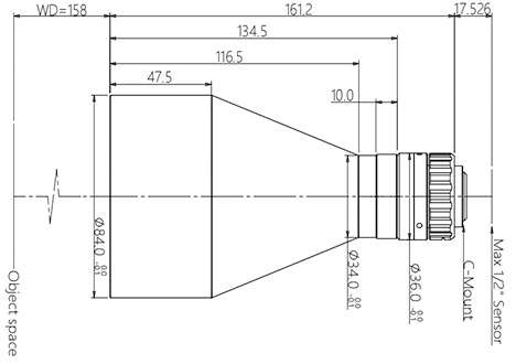
| 物方工作距 WD(mm) | 158±3 |
| 支持 CCD 尺寸 (Φmm) | 8.0(1/2″) |
| 像方最佳 F/# | 4.2 |
| 像方 MTF30 (lp/mm) | >220 |
| 物方景深 DoF(mm) | ±28.2@F11 |
| 像方畸变 (% max) | <0.1 |
| 物方远心度 (° max) | <0.1 |
| 物像距 I/O(mm) | 337±3 |
| 视野范围 (mm x mm) | |
| 1/2.5″ 9P001/31 (5.7×4.28) | 45.6×34.2 |
| 1/2.3″ 9J003 (6.44×4.62) | 51.5×37.0 |
| 机械参数 | |
| 相机接口 | C |
| 镜头总长 (mm) | 161.2 |
| 净重 (kg) | 0.8 |
