| 光学参数 | |
| 物方视场 FOV(Φmm) | 36 |
| 放大倍率 β(x) | 0.250 |
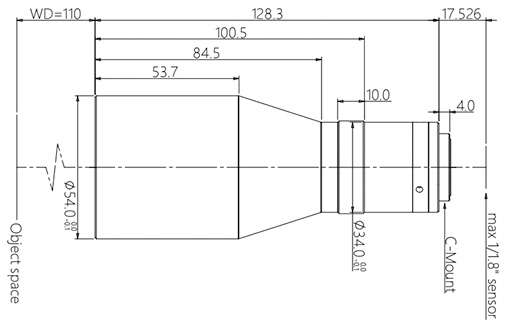
| 物方工作距 WD(mm) | 110±2 |
| 支持 CCD 尺寸 (Φmm) | 9.0(1/1.8″) |
| 像方最佳 F/# | 4.6 |
| 像方 MTF30 (lp/mm) | >180 |
| 物方景深 DoF(mm) | ±7.0@F11 |
| 像方畸变 (% max) | <0.1 |
| 物方远心度 (° max) | <0.1 |
| 物像距 I/O(mm) | 256±2 |
| 视野范围 (mm x mm) | |
| 1/1.8″ IMX178 (7.43×4.9) | 29.7×19.6 |
| 1/1.8″ IMX252/265 (7.1×5.3) | 28.4×21.2 |
| 机械参数 | |
| 相机接口 | C |
| 镜头总长 (mm) | 128.3 |
| 净重 (kg) | 0.4 |
