| 光学参数 | |
| 物方视场 FOV(Φmm) | 26 |
| 放大倍率 β(x) | 0.708 |
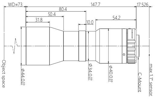
| 物方工作距 WD(mm) | 73±1 |
| 支持 CCD 尺寸 (Φmm) | 18.4(1.1″) |
| 像方最佳 F/# | 9.6 |
| 像方 MTF30 (lp/mm) | >75 |
| 物方景深 DoF(mm) | ±1.6@F20 |
| 像方畸变 (% max) | <0.1 |
| 物方远心度 (° max) | <0.1 |
| 物像距 I/O(mm) | 238±1 |
| 视野范围 (mm x mm) | |
| 1″ IMX183 (13.13×8.76) | 18.5×12.4 |
| 1.1″ IMX253 (14.19×10.38) | 20.0×14.7 |
| 机械参数 | |
| 相机接口 | C |
| 镜头总长 (mm) | 147.7 |
| 净重 (kg) | 0.4 |
