| 光学参数 | |
| 物方视场 FOV(Φmm) | 110 |
| 放大倍率 β(x) | 0.167 |
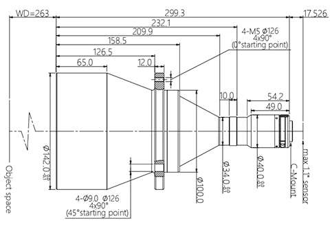
| 物方工作距 WD(mm) | 263±4 |
| 支持 CCD 尺寸 (Φmm) | 18.4(1.1″) |
| 像方最佳 F/# | 6.2 |
| 像方 MTF30 (lp/mm) | >150 |
| 物方景深 DoF(mm) | ±15.8@F11 |
| 像方畸变 (% max) | <0.1 |
| 物方远心度 (° max) | <0.1 |
| 物像距 I/O(mm) | 580±4 |
| 视野范围 (mm x mm) | |
| 1″ IMX183 (13.13×8.76) | 78.6×52.5 |
| 1.1″ IMX253 (14.19×10.38) | 85.0×62.2 |
| 机械参数 | |
| 相机接口 | C |
| 镜头总长 (mm) | 299.3 |
| 净重 (kg) | 2.8 |
