| 光学参数 | |
| 物方视场 FOV(Φmm) | 80 |
| 放大倍率 β(x) | 0.208 |
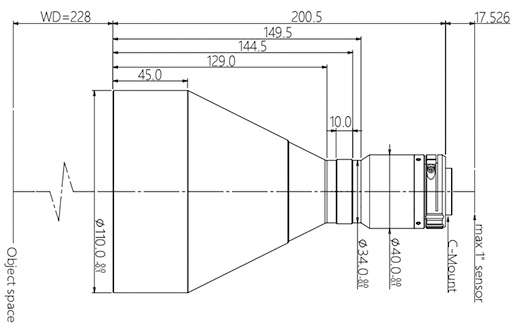
| 物方工作距 WD(mm) | 228±4 |
| 支持 CCD 尺寸 (Φmm) | 16.6(1″) |
| 像方最佳 F/# | 6.5 |
| 像方 MTF30 (lp/mm) | >135 |
| 物方景深 DoF(mm) | ±14.8@F16 |
| 像方畸变 (% max) | <0.1 |
| 物方远心度 (° max) | <0.1 |
| 物像距 I/O(mm) | 446±4 |
| 视野范围 (mm x mm) | |
| 1″ PYTHON 5000(12.43×9.83) | 59.8×47.3 |
| 1″ IMX255(14.19×7.51) | 68.2×36.1 |
| 1″ IMX183(13.13×8.76) | 63.1×42.1 |
| 机械参数 | |
| 相机接口 | C |
| 镜头总长 (mm) | 200.5 |
| 净重 (kg) | 1.9 |
