CK-SDTCM110-100-AL

  • 全系列标准产品及超百款非标规格,涵盖各种应用场景
  • 大光圈、高远心度、超低畸变,超大景深,性能出色,无以伦比
产品参数
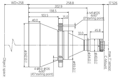
外形尺寸
资料下载
光学参数
物方视场 FOV(Φmm) 100
放大倍率 β(x) 0.166
物方工作距 WD(mm) 258±4
支持 CCD 尺寸 (Φmm) 16.6(1″)
像方最佳 F/# 6.5
像方 MTF30 (lp/mm) >140
物方景深 DoF(mm) ±23.2@F16
像方畸变 (% max) <0.1
物方远心度 (° max) <0.1
物像距 I/O(mm) 534±4
视野范围 (mm x mm)
1″ PYTHON 5000(12.43×9.83) 74.9×59.2
1″ IMX255(14.19×7.51) 85.5×45.2
1″ IMX183(13.13×8.76) 79.1×52.8
机械参数
相机接口 C
镜头总长 (mm) 258.8
净重 (kg) 3.2

技术说明书

顶部