CK-SDTCK125-36

  • 大光圈、高远心度、超低畸变,超大景深,满足高端系统要求
产品参数
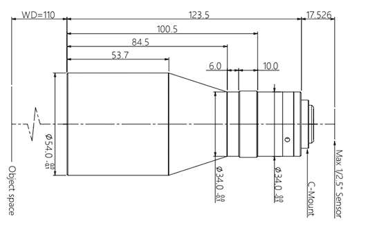
外形尺寸
资料下载
光学参数
物方视场 FOV(Φmm) 36
放大倍率 β(x) 0.200
物方工作距 WD(mm) 110±2
支持 CCD 尺寸 (Φmm) 7.2(1/2.5″)
像方最佳 F/# 4.2
像方 MTF30 (lp/mm) >190
物方景深 DoF(mm) ±11.0@F11
像方畸变 (% max) <0.1
物方远心度 (° max) <0.1
物像距 I/O(mm) 251±2
视野范围 (mm x mm)
1/3″ AR130/RJ33 (4.8×3.6) 24.0×18.0
1/2.5″ 9P001/31 (5.7×4.28) 28.5×21.4
机械参数
相机接口 C
镜头总长 (mm) 123.5
净重 (kg) 0.4

技术说明书

顶部