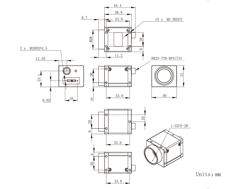
相机四面设有螺孔,支持四面安装,适应各种应用场景,外观小巧,内置优异的图像处理(ISP)算法,提供多种采集方式。
触发类型:帧开始 / 帧高速连拍开始
两种曝光模式:定时曝光模式和触发宽度曝光模式
两种时间曝光模式:标准曝光时间模式和极小曝光时间模式
支持 Gamma、Binning、像素抽样 (Decimation)
支持数字移位功能、黑电平、平场校正功能
彩色相机支持环境光源预设、颜色转换、饱和度功能
黑白相机支持锐化、降噪功能
支持查找表、参数组、计数器和定时器功能
支持取消参数范围限制,可扩大参数的范围值
支持序列功能,可预设 N 组不同的参数
提供 16KB 用户数据区,保存算法系数、参数配置等


| 型号 | 型号 | CK-REN2X-1230MU-23GS |
|---|---|---|
| 名称 | 1230 万像素 USB3.0 接口面阵相 | |
| 性能参数 | 分辨率 | 4096(H) × 3000(V) |
| 传感器 | Sony IMX304 Global shutter CMOS | |
| 靶面尺寸 | 1.1″ | |
| 像元尺寸 | 3.45 μm × 3.45 μm | |
| 帧率 | 23.5 fps | |
| 模数转换精度 | 12bit | |
| 像数深度 | 8bit,12bit | |
| 黑白/彩色 | 黑白 | |
| 像数格式 | Mono8 / Mono12 | |
| 信噪比 | 40.47dB | |
| 曝光时间 | 极小:1μs ~ 100μs,实际步长:1μs; 标准:28μs ~ 1s,实际步长:1 行周期 |
|
| 增益 | 0dB ~ 24dB;默认值 0dB,步长 0.1dB | |
| Binning | FPGA:1× 1 ,1×2 ,1×4 ,2× 1 ,2×2 ,2×4 ,4× 1 ,4×2 ,4×4 Sensor:1× 1 ,1×2 |
|
| 像素抽样 | Sensor:1× 1 ,1×2 | |
| 同步方式 | 外触发,软触发 | |
| 工作方式 | 单帧采集,连续采集,软触发采集,外触发采集 | |
| 镜像翻转 | 水平镜像,垂直镜像 | |
| 电气特性 | I/O接口 | 1 路光耦隔离输入,1 路光耦隔离输出,2 路双向 GPIO |
| 数据接口 | USB3.0 | |
| 供电要求 | USB3.0 接口供电 | |
| 典型功耗 | 2.47 W @ 5 VDC | |
| 结构特性 | 工作温度 | 0° C ~ +45° C |
| 存储温度 | -20° C ~ +70° C | |
| 工作湿度 | 10% ~ 80% | |
| 镜头接口 | C / CS | |
| 机械尺寸 | 36(W) × 31(H) × 38.8(L) mm(不含镜头接口和连接件) | |
| 重量 | 66 g | |
| 一般规范 | 软件 | CKVisionBuilder 或第三方支持 GigE Vision 协议软件 |
| 操作系统 | 32bit / 64bit Windows ,Linux ,Mac OS | |
| 认证 | CE,FCC,RoHS,KC |